Please choose your delivery location

The selection of the country/region page can influence various factors such as price, shipping options and product availability.
My contact person
Select location

After selection of your ZIP code, we designate the relevant staff to attend to you at once.

SG(EN)

drylin® N - Low profile linear guide system NK-22-17-40

DryLin® N low profile guide system rail

Order no. Max. rail lengths a C4 A3 C5=C6 h h1 K1* ly lz Weight of rail Price / m  
  [L max.]       Min. max.       [mm2] [mm2] [g/m]    
Ready for shipment within 24 hours NS-01-17 2000 17 60 0 20 20/49,5 5.5 0.9 M3 1700 120 150 35.82 SGD Add to shopping cart
Ready for shipment within 15 working days NS-01-17-AR 2000 17 60 0 20 20/49,5 5.5 0.9 M3 1700 120 150 41.19 SGD Add to shopping cart
Ready for shipment within 24 hours NS-01-17-UNGEBOHRT 2000 17 60 0 20 5.5 0.9 M3 1700 120 150 32.06 SGD Add to shopping cart
More about selected part:
3D-CAD 3D-CAD
Sample request Sample request
PDF PDF
Quote request Quote request
myCatalog myCatalog

For unbored rails please indicate "Unbored" in the remark.
* for cylinder screw with low head

Drylin® low profile linear guide system NK-02-17

Order no. Designation Weight of carriage    
    [g]    
Ready for shipment within 15 working days NW-22-17-40 Double carriage with threaded pin 2.6 8.95 SGD Add to shopping cart
Ready for shipment within 15 working days NW-22-17-40-LLY Double carriage with threaded pin floating bearing y-direction 2.6 8.95 SGD Add to shopping cart
Ready for shipment within 15 working days NW-22-17-40-LLYZ Double carriage with threaded pin floating bearing y und z-direction 2.6 8.95 SGD Add to shopping cart
Ready for shipment within 15 working days NW-22-17-40-LLZ Double carriage with threaded pin floating bearing z-direction 2.6 8.95 SGD Add to shopping cart
More about selected part:
3D-CAD 3D-CAD
Sample request Sample request
PDF PDF
Quote request Quote request
myCatalog myCatalog

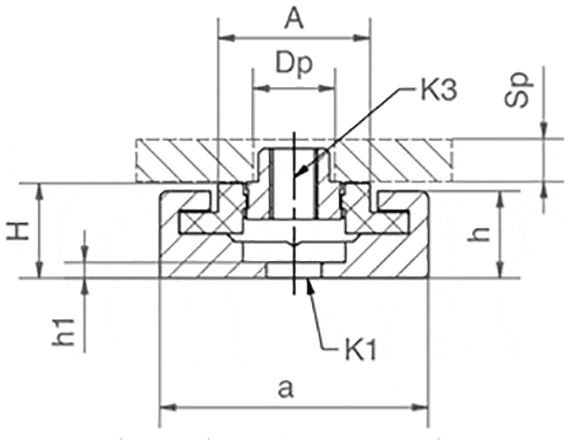
Dimensions [mm] - guide carriages

Part. No. H A C C1 C2 A2 H2 K2 K3 K4 Sp min. Dp Ø min. Weight
  ±0,35                       [g/m]
Ready for shipment within 15 working days NW-22-17-40 6 9.6 40 40 28 0 0 M3 2.5 5 2.6
Ready for shipment within 15 working days NW-22-17-40-LLY 6 9.6 40 40 28 0 0 M3 2.5 5 2.6
Ready for shipment within 15 working days NW-22-17-40-LLYZ 6 9.6 40 40 28 0 0 M3 2.5 5 2.6
Ready for shipment within 15 working days NW-22-17-40-LLZ 6 9.6 40 40 28 0 0 M3 2.5 5 2.6
More about selected part:
3D-CAD 3D-CAD
Sample request Sample request
PDF PDF
Quote request Quote request
myCatalog myCatalog

Ordering of a complete system

Configuration in few steps:

1. Selection of the number of carriages
2. Selection of the type of carriage
3. Entry of the rail length in mm
4. Selection of the carriage options
5. Selection of the rails options.

Hint:

Detailed information can be found below in the drawings as well as in the below-mentioned pages. You can obtain precise specifications on the floating bearing options within the design rules.
1

no floating bearing

2

Floating bearing in z-direction

3

Floating bearing in y-direction

4

Floating bearing in yz-direction

drylin® NK – complete set

Step 1

Enter the required number of carriages.

technical drawing
No. of carriages:

Static load capacity and moments of inertia of an area

A =bore min. Ø 5 mm
B = Depth for screw tightening
C = for machine screws M3
DIN 7984/DIN 6912/DIN 84
EN ISO 1707

Ready for shipment within 24 hours
Ready for shipment within 15 working days

The terms "Apiro", "AutoChain", "CFRIP", "chainflex", "chainge", "chains for cranes", "ConProtect", "cradle-chain", "CTD", "drygear", "drylin", "dryspin", "dry-tech", "dryway", "easy chain", "e-chain", "e-chain systems", "e-ketten", "e-kettensysteme", "e-loop", "energy chain", "energy chain systems", "enjoyneering", "e-skin", "e-spool", "fixflex", "flizz", "i.Cee", "ibow", "igear", "iglidur", "igubal", "igumid", "igus", "igus improves what moves", "igus:bike", "igusGO", "igutex", "iguverse", "iguversum", "kineKIT", "kopla", "manus", "motion plastics", "motion polymers", "motionary", "plastics for longer life", "print2mold", "Rawbot", "RBTX", "RCYL", "readycable", "readychain", "ReBeL", "ReCyycle", "reguse", "robolink", "Rohbot", "savfe", "speedigus", "superwise", "take the dryway", "tribofilament", "tribotape", "triflex", "twisterchain", "when it moves, igus improves", "xirodur", "xiros" and "yes" are legally protected trademarks of the igus® SE & Co. KG/ Cologne in the Federal Republic of Germany and where applicable in some foreign countries. This is a non-exhaustive list of trademarks (e.g. pending trademark applications or registered trademarks) of igus SE & Co. KG or affiliated companies of igus in Germany, the European Union, the USA and/or other countries or jurisdictions.

igus® SE & Co. KG points out that it does not sell any products of the companies Allen Bradley, B&R, Baumüller, Beckhoff, Lahr, Control Techniques, Danaher Motion, ELAU, FAGOR, FANUC, Festo, Heidenhain, Jetter, Lenze, LinMot, LTi DRiVES, Mitsubishi, NUM,Parker, Bosch Rexroth, SEW, Siemens, Stöber and all other drive manufacturers mention on this website. The products offered by igus® are those of igus® SE & Co. KG